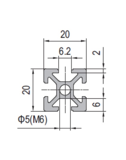
Strut Profile PG20 T-slot is designed for constructing light weight assemblies such as precision frame structures, showcase etc.Specifications
What's in the box?1 x 1m Extrusion