Special Offers
GY-302 BH1750 BH1750FVI light intensity illumination module 3V-5V
Aluminium 180 Angle Bracket Strip Board for V-slot Aluminium Profile 2020 with 5 holes
Mild Steel 360 Angle Bracket Strip Board for Aluminium Profile 2020 with 7 holes
R74.92 Inc VAT R99.87
RASPBERRY PI BOARD NOT INCLUDED
Description:
Whether you're pulling-up or pulling-down, there's no need to frown! With the PUD board from ModMyPi, adding multiple pull-up or pull-down resistors to your Raspberry Pi project is easy!
If you want to detect an "output" with your Raspberry Pi, like a button being pressed or a motion sensor detecting movement, we can configure our Raspberry Pi's GPIO pin as an "input". That input pin can be in three states (known as Tri-State logic); "high", when 3.3V is applied, "low", when the pin is connected to 0V, and "floating" when the state is undefined. Floating voltages are troublesome in electronics as the input can either read high or low depending on various fluctuations in electrical noise. Like a gate flapping open and closed in the wind, someone needs to lock the gate closed, or wedge it open. If you leave it flapping, it's likely to hit someone on their bottom on the way through!
Like our gate, the best way to avoid a floating input is to "tie" your input pin either high or low to create a default state. This is usually achieved through the use of a pull-up or pull-down resistor, either connecting our input pin via a resistor to the Pi's 3.3V to achieve a 3.3V high state, or the GND line to achieve 0V low state.
Our PUD board takes the messy wiring out of adding a pull-up or pull-down resistor to your circuit. Simply wire up the sensor output to the single pin on the PUD board and add a shunt jumper to either pull up (u) or down (d)! Therefore when you apply a signal voltage from your sensor or switch, the Pi is easily able to sense into which logic state the pin has been pulled! No more trouble from floating I/O's!
The PUD boards connects across GPIO pins 11 to 18 (17 to 24 in BCM speak), and adds a jumper configurable pull-up or pull-down resistor to each GPIO pin: 11 (BCM 17), 12 (BCM 18), 13 (BCM 27), 15 (BCM 22), 16 (BCM 23) and 18 (BCM 24). Pin 17 (3.3V) & pin 14 (GND) are used to tie the pins!
The PUD Board Features:
- Add a pull-up or pull-down resistor to your GPIO with the swap of a jumper!
- Compatible with all Raspberry Pi Models Inc. A /B /2/3 & Zero/ZeroW
- Tiny board means it's easy to integrate into any circuit - takes up just 8 GPIO pins
- Connects across GPIO pins 11 to 18 inclusive (BCM 17 to 24)
- In-line 1kΩ current limiting resistors on each GPIO
- 10kΩ pull-up or pull-down resistors on each GPIO
- All 6 GPIO pins can be configured independently
- Includes 6 x 2 Pin Shunt Jumpers & 1 x PUD Board
- Jumper configurable pull-up or pull-down resistor on pins:
- 11 (BCM 17)
- 12 (BCM 18)
- 13 (BCM 27)
- 15 (BCM 22)
- 16 (BCM 23)
- 18 (BCM 24).
- Pin 17 (3.3V) & Pin 14 (GND) are used to tie the pins!
- To pull pin up, connect the jumper across "u" and the center pin
- To pull pin down, connect the jumper across "d" and the center pin
What's in the box:
1 x PUD Board
Tutorials:
R257.60 Inc VAT R347.76
Our learn to solder pack is the ideal low cost solution for teaching soldering in the classroom/after school club. The pack provides all of the parts and PCB's required for a class size of 25 and also includes a 9V battery for testing purposes. Each pack comprises; 25 x PCBs, 100 x 100 ohm resistors, 25 x LED's, and a 9V PP3 battery.
We have also produced a step by step guide to soldering, which covers; equipment, solder, tinning & cleaning, soldering in 8 steps, de-soldering in five steps, wire preparation, examples of good and bad solder joints, basic PCB repair, resistor information, LED information, full step by step build information for the kit, and how the learn to solder kit works. This guide covers everything that you might need to discuss with students and can form the basis of your lesson plan.
Using the kits and the step by step guide, each student will solder four resistors and one LED to their PCB before pressing it to the terminals of the 9V battery to check that their board works. Using the guides they will be able to examine their own work and troubleshoot problems. The battery pads on the PCBs have been shaped inline with the battery terminals on a PP3 battery making it straightforward to see which way around it should be placed on the battery.
Features
- Purpose built PCBs that can be tested, once built, with the supplied 9V PP3 battery.
- Low cost classroom pack for 25 students.
- Easy build kit.
- Full teaching resources and step by step guides available for this kit below.

What's in the box?
100 x 100 ohm Resistors.
25 x Red 5mm Diffused LED - 275mCd.
25 x Learn To Solder PCBs.
1 x 9V Zinc Chloride PP3 Battery.
Dimensions
- Built Height: 11mm.
- PCB Length: 31mm.
- PCB Width: 21mm.
- PCB Height: 1.5mm.

R243.57 Inc VAT R289.90
This pack is a great way to get started with E-Textiles.
We have selected a number of products from our Electro-Fashion range, including three of our ultra-slim LEDs and two seperate power boards. There are enough components for you get started immediately to create some eye catching E-Textiles projects, the only limit is your imagination.
Features:
- Everything you need to complete two projects.
- Enough Electro-Fashion components to get started immediately with E-Textiles.
- Full instructions for assembly.
- Great project ideas and tutorials.
Contents:
- 2 x Coin Cell Holder.
- 3 x Sewable LEDs White.
- 3 x Flashing LEDs White.
- 1 x Slide Switch.
- 1 x Push Switch.
- 2 x CR2032 Coin Cell Batteries.
- 1 x 6m Conductive Thread.
Dimensions:
- Sewable Coin Cell Holder Length: 34mm.
- Sewable Coin Cell Holder Width: 20mm.
- Sewable Coin Cell Holder Height: 4.5mm.
- Ultra Slim Sewable LED Length: 15mm.
- Ultra Slim Sewable LED Width: 6.5mm.
- Ultra Slim Sewable LED Height: 2.7mm.
- Slide Switch Length: 18mm.
- Slide Switch Width: 8.5mm.
- Slide Button Switch Height: 4mm.
- Push Button Switch Length: 18mm.
- Push Button Switch Width: 8.5mm.
- Push Button Switch Height: 3mm.
- CR2032 Battery Height: 3.2mm.
- CR2032 Battery Diameter: 20mm.
Requires:
- Scissors.
- Needles.
Resources:
Caution:
- The coin cell holders in this pack contain Nickel and should not be used in designs where it will be in prolonged contact with the skin.
R849.90 Inc VAT R948.95
5 inch Resistive Touch Screen LCD, HDMI interface, Designed for Raspberry Pi. Mid-sized Raspberry Pi or SBC 5 Inch Touch LCD with HDMI interface! Especially useful for those smaller embedded projects, such as adding LCD control to CNCs or 3D printers.
Specifications
The LCD
- 800×480 high resolution, touch control
- Compatible and Direct-connect with any revision of Raspberry Pi (except the Pi 1 model B or Pi Zero, which requires an HDMI cable)
- Drivers provided (works with your own Raspbian/Ubuntu directly)
- HDMI interface for displaying, no I/Os required (however, the touch panel still needs I/Os)
- Backlight can be turned off to lower power consumption
- High quality immersion gold surface plating
The Case
- Material : high quality bicolor Acrylic, black and white
- Comes with bottom holder, optional tilt angle, 45° or 60°
- Features mounting holes for Raspberry Pi A /B /2B/3B
What's in the box?
1 x HDMI connector
1 x Touch pen
1 x RPi screws pack (4pcs)
1 x Bicolor Case for 5inch LCD
1 x Screws Pack
Resources
How to install: instructions
Wiki : www.waveshare.com/wiki/5inch_HDMI_LCD

R69.90 Inc VAT R73.96
This is a new design ABS case to protect your Raspberry Pi 4 Model B computer, it is only compatible with your Raspberry Pi 4 Model B, does not support other versions. Also supports a dc 5v cooling fan.
Features
- ABS material.
- Easy to install.
- All ports and slots of the case match with Raspberry Pi 4 Computer Model B perfectly.
- Supports a DC 5v extractor cooling fan.
What's in the box?
1 x ABS Case for Raspberry Pi 4 Model B
1 x Cooling Fan 30mm x 30mm x 7mm
4 x Heat Sinks(new add on to this case)
Resources

R149.90 Inc VAT R159.90
Specifications
What's in the box?
1 x CamJam Edukit
Resources
All the worksheets are freely available to download from http://camjam.me/edukit
CamJam Edukit 1 for Raspberry Pi Pico
R239.90 Inc VAT R249.90
The CamJam EduKit #2 is the second edition to the EduKit family!
The kit is accompanied by a set of (currently 6) downloadable worksheets (or lesson plans for you educators!) that will take you through a series of exercises and projects, teaching you how to make the most of your kit. Whats best is that there is no soldering required, each high quality component is breadboard friendly!
All the worksheets are freely available to download from http://camjam.me/edukit
What's in the box?
1 x Breadboard
1 x Immersible temperature Sensor
1 x PIR Sensor
1 x LDR
1 x Active Buzzer
1 x Red 10mm LED
1 x Blue 10mm LED
1 x 4.7K Resistor
2 x 330 Resistor
10 x M/F Jumper Wires
4 x M/M Jumper Wires
1 x Presentation Tin
Resources
Here are just 4 cool projects you could use the kit for:
- Make a burglar alarm for your bedroom.
- Switch on an LED when it gets dark.
- Have an alarm go off when it’s freezing outside.
- Test whether the light really does go off in the fridge when you shut the door.
Still not convinced? Check out these awesome articles on the kit!
- "CamJam Edukit 2 Launches at PiWars" - Raspi.tv
- "The CamJam EduKit 2 - Learn How To Use Sensors With The Raspberry Pi" - Average Man vs Raspberry Pi
The CamJam EduKit is a joint venture between The Pi Hut and the Cambridge Raspberry Jam (CamJam). Profits from the sale of the kit will go to CamJam so that they can continue their educational and community work.
R479.90 Inc VAT R572.90
All you need to do is to add your own chassis, Raspberry Pi (any model) & batteries! Then, follow the worksheets to make your own motorized buggy. Add the included sensors and you will soon be detecting objects in front of your robot and following line courses.
What's in the box?
A custom-designed, pre-soldered motor controller board (with screw terminals)
2 x DC motors (with wires pre-soldered)
2 x custom red wheels (which go extra fast… because they’re red!)
1 x ball castor (used as the ‘third wheel’ to your robot)
1 x small breadboard (to create your circuits)
2 x pieces of strong 3M padded double-sided tape
1 x battery box for 4 AA batteries (batteries not included)
1 x ultrasonic distance sensor (for detecting objects in front of your robot)
1 x line follower sensor (for detecting and following black lines)
Resistors and jumper cables with which to complete your circuits
A strong cardboard box to keep it all in… or to cut into to make your chassis!
Resources
All the worksheets are freely available to download from http://camjam.me/edukit
Got a 3D printer? Daniel Bull has very kindly designed an awesome chassis, available from Thingiverse ..
Alex Eames over at Raspi.TV got his hands on a prototype, here's what he did!
https://youtu.be/LJDEV7rGwaM
And here's a fantastic unboxing video from Average Man vs Raspberry Pi!
https://youtu.be/KPYWNXiItwo
And another review! This time from TheRaspberryPiGuy! Thanks Matt!
https://youtu.be/TMjd0UrH2PY
R60.20 Inc VAT R89.90
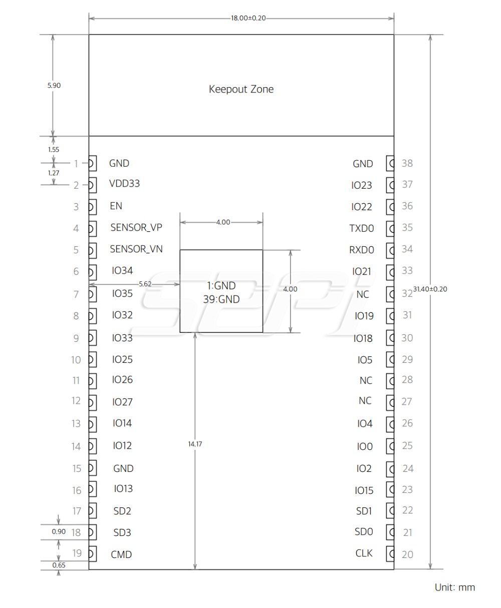
The integration of Bluetooth, Bluetooth LE and Wi-Fi ensures that a wide range of applications can be targeted, and that the module is future proof: using Wi-Fi allows a large physical range and direct connection to the internet through a Wi-Fi router, while using Bluetooth allows the user to conveniently connect to the phone or broadcast low energy beacons for its detection. The sleep current of the ESP32 chip is less than 5 µA, making it suitable for battery powered and wearable electronics applications. ESP32 supports a data rate of up to 150 Mbps, and 22 dBm output power at the antenna to ensure the widest physical range. As such the chip does offer industry-leading specifications and the best performance for electronic integration, range, power consumption, and connectivity. The operating system chosen for ESP32 is freeRTOS with LwIP; TLS 1.2 with hardware acceleration is built in as well. Secure (encrypted) over the air (OTA) upgrade is also supported, so that developers can continually upgrade their products even after their release.
What's in the box?
1 x ESP32-WROVER 4MB Module
Resources





GY-302 BH1750 BH1750FVI light intensity illumination module 3V-5V (light intensity sensor board)
R39.91 Inc VAT R49.45
This sensor module is the most suitable to receive the ambient light data for adjusting LCD and other related projects. It is possible to detect wide range at High resolution.
The sensor is a calibrated digital light sensor that measures the intensity of the ambient light and stores it as a 16-bit number.
Specifications
- Type: GY - 302
- Size: 13.9 mm X 18.5 mm
- The original BH1750FVI ROHM chip
- Power supply: 3-5 V
- Data range: 0-65535
- Sensor built-in and bitad converter
- Direct digital output, bypassing the complicated calculation, omit calibration
- Do not distinguish between ambient light
- Close to the visual sensitivity of spectral characteristics
What's in the box?
1 x GY-302 Module
R250.54 Inc VAT R338.91
LCD control panel for 3D printers. LCD control panel through which you can achieve spooling as the 3D model Gcode files are copied to the SD card and then print the file via the LCD control panel. This version is an upgraded version of the reprap smart controller.

Features:
Using a large screen 12864LCD
With a SD card base on back, put your sliced file onto the SD card and select the file on the LCD. It can then can be printed
Product comes encoder to select the desired file
Plug and play on the RAMPS, but may need to modify the firmware to support
Specifications:
Screen size: 128x64
Cable Length (cm): 30
Input Supply Voltage: (VDC) 5
Length (mm): 93
Width (mm): 87


Package Includes:
1x LCD 12864 Smart Controller
1x Smart Adapter
2x 30cm FC Cable

R355.51 Inc VAT R449.90
Turn your Raspberry Pi into a retro games console! Picade X HAT includes joystick and button inputs, a 3W I2S DAC/amplifier, and soft power switch. Nice!
Picade X HAT is now Raspberry Pi 4 compatible, with USB-C power!
This HAT has all the same great features as the original Picade HAT but now has no-fuss female Dupont connectors to hook up your joystick and buttons.
Simply pop Picade X HAT onto your Pi, plug a USB-C power supply into the connector on the HAT (it back-powers your Pi through the GPIO, so no need for a separate power supply), wire up your controls, and install our driver! It's ideal for your own DIY arcade cabinet builds, or for interfaces that need big, colourful buttons and sound.
Features
- I2S audio DAC with 3W amplifier (mono) and push-fit terminals
- Safe power on/off system with tactile power button and LED
- USB-C connector for power (back-powers your Pi)
- 4-way digital joystick inputs
- 6x player button inputs
- 4x utility button inputs
- 1x soft power switch input
- 1x power LED output
- Plasma button connector
- Breakout pins for power, I2C, and 2 additional buttons
- Picade X HAT pinout
- Compatible with all 40-pin Raspberry Pi models
The I2S DAC blends both channels of digital audio from the Raspberry Pi into a single mono output. This is then passed through a 3W amplifier to power a connected speaker.
The board also features a soft power switch that allows you turn your Pi on and off safely without risk of SD card corruption. Tap the connected button to start up, and press and hold it for 3 seconds to fully shutdown and disconnect power.
What's in the box?
1 x Picade X HAT
Resources
Software
We've put together a simple one-line installer that'll get everything set up on your Picade X HAT, the controls, safe shutdown, and audio. Open a terminal and type curl https://get.pimoroni.com/picadehat | bash to run the installer. You'll need to reboot once the installation is complete, if it doesn't prompt you to do so.
Our software does not support Raspbian Wheezy
Notes
With USB-C power connected through Picade X HAT you'll need either to tap the connected power button or the button marked "switch" on the HAT to power on your Pi.
R53.90 Inc VAT R59.90
Compatible with: 80/20 20 Series, Misumi 5 Series, Openbuilds V-Slot, Openbuilds C-Beam, and other standard v-slot/t-slot 20mm aluminum extrusions
Specifications
- For the 2020 the size is 60mm x 60mm x 4mm, recommend to use M5 x10mm screw and M5 T nut
- Material: Aluminium
- Colour: Silver
- Aperture:M5
- Holes Spaced:20mm / 0.79 inch
- Thickness:4mm / 0.16 inch
- Dimensions: 60mm x 60mm /2.36 x 2.36 inch

What's in the box?
1 x bracket
R32.21 Inc VAT R35.90
Specifications
- Light, small and easy to use
- Double - quick screw down.
- Saved time and manpower for installation.
- Size: 108mm x 30mm x41mm/4.25 x 1.18 x 1.61inch
What's in the box?
2 x MC4 spanners
R40.23 Inc VAT R45.90
This tiny but powerful 30mm fan can be used in any electronic projects, with MCUs, and even to keep your Raspberry Pi cool.
Now with a narrower form factor to fit a wider range of enclosures
Specifications
- Dimensions: 30x30x07mm
- Bearing Type: Sleeve
- Connector: 2PIN
- Rated Voltage: DC 5V, Rated Current: 0.1A
- Airflow: 4.2CFM
- Fan Blade: 7 Blades
- Fan Speed: 5000RPM±10%
- Noise Level: <16dBA±10%
What's in the box?
1 x DC Fan 30x30x7mm
Resources
3.3V connection to the GPIO on the left and 5V on the right.

R145.73 Inc VAT R199.90
Ever fancied creating your own first-person shooter game? Now you can with this 140-page bookazine, brought to you by the Wireframe magazine team with tips from expert video game developers!
Making a fast-paced 3D action game needn’t be as daunting as it sounds. Build Your Own First-Person Shooter in Unity will take you step-by-step through the process of making Zombie Panic: a frenetic battle for survival inside a castle heaving with the undead.
Specifications:
- Set up and use the free software you’ll need
- Make enemies that follow and attack the player
- Create and texture 3D character models
- Extend your game further, with tips from experts
- Design a level with locked doors and keys
What's in the box?:
1 x 140-page bookazine
Resources:
R99.89 Inc VAT R119.90
Plug Type: EU adapter included
Mild Steel 360 Angle Bracket Strip Board for Aluminium Profile 2020 with 7 holes (Steel 360 bracket)
R21.16 Inc VAT R27.90
Build CNC routers, 3D printers, CNC laser cutters, CNC plasma cutters, robotics projects, 3D carvers, machine guards, workstations, etc.
Compatible with:
80/20 20 Series, Misumi 5 Series, Openbuilds V-Slot, Openbuilds C-Beam, and other standard v-slot/t-slot 20mm aluminum extrusions
Specifications:
Recommend to use M5 x10mm screw and M5 T nut
Material: Mild Steel
Thickness:3mm
These plates are laser cut from 3mm mild steel and still needs to be painted/powder coated.
What's in the box?
1 x bracket
R112.55 Inc VAT R134.89
Fully updated for 2019 and featuring four extra chapters, Conquer The Command Line will help you learn to love the command line on the Raspberry Pi and other Linux computers…
For getting instructions from user to computer – in a clear, quick and unambiguous form – the command line is often the best way. Now – thanks to Raspbian on the Raspberry Pi – a new generation are discovering the power of the command line to simplify complex tasks, or instantly carry out simple ones.
Master essential skills across 14 chapters:
- Find & install software
- Manage removable storage
- Use Secure Shell for remote access
- Customise the command line
- Protect your data with backups
- Build software from source code
- and much, much more.
R179.89 Inc VAT R299.90
Red T-shirt White Logo Adult Size. Sizing is to a standard UK high-street size, and the shirts fit true to size. We recommend purchasing your usual size. If you fall between two sizes, we advise purchasing the larger size. (Size guide available in product images)
Specifications:
Certified organic cotton 155g/m2
GM free
Not tested on animals
Does not contain animal-derived products
Printed in the UK with low-waste printing tech
Maintaining your tee: wash cool and hang dry to ensure print quality and longevity.